Будьте всегда в курсе!
Узнавайте о скидках и акциях первым
Новости
Все новости
5 февраля 2024
Международная выставка Aquatherm Moscow 2024
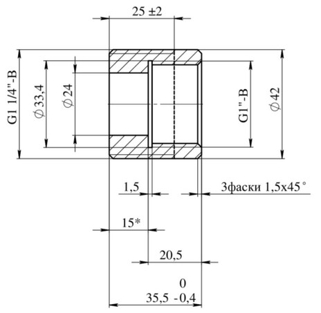
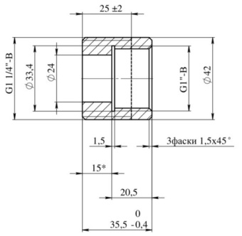
Монтажный комплект для замены счетчика УБСГ G4-G10, (L236, 1 1/4Д)
По акции
Артикул:
КАМ-UBSG 4-10
700 ₽/шт
-
+
Цена действительна только для интернет-магазина и может отличаться от цен в розничных магазинах
- Описание
- Характеристики
- Отзывы
- Задать вопрос
-
ОписаниеКомплект монтажных частей применяется для установки счетчиков газа «Принц» и «Принц-М» типоразмеров G4, G6, G10 вместо счетчиков УБСГ G4, G6, G10. В случае если у вас на объекте установлен счетчик газа УБСГ производства ОАО «Газдевайс», вы можете его поменять на счетчик газа «Принц» или «Принц-М», без применения сварки, для этого потребуется приобрести комплект Монтажный комплект для замены счетчика УБСГ G4, G6, G10. Комплект подходит для замены на ультразвуковые счетчики газа «Принц» и «Принц-М» соответствующего типоразмера.
Комплектация
- переходник-адаптер (сталь) с внутренней и внешней резьбой 2шт.
- прокладка (паронитовая ,Д38мм) 2шт.
- прокладка (паронитовая ,Д30мм) 2шт.
-
Характеристики
Количество в упаковке, шт. 2 - Отзывы
-
Задать вопросВы можете задать любой интересующий вас вопрос по товару или работе магазина.
Наши квалифицированные специалисты обязательно вам помогут.







